Go to Post just thinking about the array of mechanisms awaiting my examination tingles the thinky parts of my brain. - Tytus Gerrish [more]
Home
Go Back   Chief Delphi > Technical > Programming > NI LabVIEW
CD-Media   CD-Spy  
portal register members calendar search Today's Posts Mark Forums Read FAQ rules

 
Reply
Thread Tools Rate Thread Display Modes
  #1   Spotlight this post!  
Unread 09-02-2014, 20:25
jordan11623's Avatar
jordan11623 jordan11623 is offline
Registered User
FRC #4641
 
Join Date: Jan 2014
Location: United States
Posts: 5
jordan11623 is an unknown quantity at this point
Solenoid issues

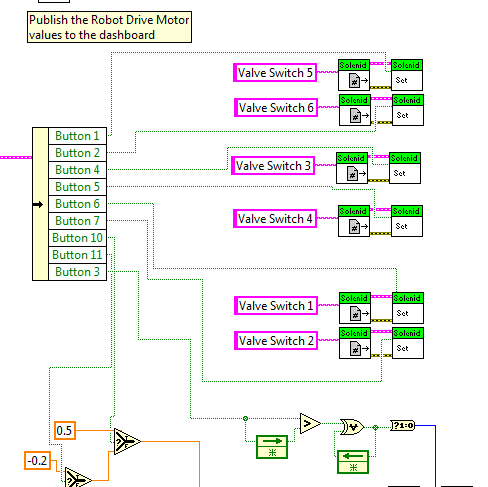
I am struggling with a really weird issue the solenoids i programmed in labview sometimes work and sometimes they don't ( I check the led status lights on the C-rio and the Solenoid break up board and they don't always light up) one of my teammates thinks it is a electrical issue while i think its a programming issue please look at my programing and tell my what i am missing
Begin vi
Teleop
vi
finish
vi
Reply With Quote
  #2   Spotlight this post!  
Unread 09-02-2014, 22:28
Alan Anderson's Avatar
Alan Anderson Alan Anderson is offline
Software Architect
FRC #0045 (TechnoKats)
Team Role: Mentor
 
Join Date: Feb 2004
Rookie Year: 2004
Location: Kokomo, Indiana
Posts: 9,113
Alan Anderson has a reputation beyond reputeAlan Anderson has a reputation beyond reputeAlan Anderson has a reputation beyond reputeAlan Anderson has a reputation beyond reputeAlan Anderson has a reputation beyond reputeAlan Anderson has a reputation beyond reputeAlan Anderson has a reputation beyond reputeAlan Anderson has a reputation beyond reputeAlan Anderson has a reputation beyond reputeAlan Anderson has a reputation beyond reputeAlan Anderson has a reputation beyond repute
Re: Solenoid issues

Your solenoid functions in Begin are riddled with red "coercion" dots. They're telling you that you have something wired to them that they aren't expecting, but the values are compatible enough that the function thinks it can make it work. Whether or not it actually will work is unclear from the pictures.

Where did you get the enumerated constants you're using? I think you should delete them and recreate them by right-clicking on the terminal they should connect to and choosing Create -> Constant from the popup menu.

And what's with the I8 conversion on the channel numbers?
Reply With Quote
  #3   Spotlight this post!  
Unread 10-02-2014, 11:07
killer_rabbit3's Avatar
killer_rabbit3 killer_rabbit3 is offline
programming rabbit
AKA: Alexander Martinez
FRC #1038 (Lakota Robotics)
Team Role: Programmer
 
Join Date: Feb 2014
Rookie Year: 2012
Location: liberty township OH
Posts: 13
killer_rabbit3 is an unknown quantity at this point
Re: Solenoid issues

Most likely your problem is caused by the coercion dots and hqving labview convert one data type to another. But i do know that the breakout board can cause soenoid connection problems if its not receiving the correct amount of power.
Reply With Quote
  #4   Spotlight this post!  
Unread 10-02-2014, 13:23
orangemoore orangemoore is offline
Registered User
AKA: Roger Moore
FRC #3135 (Robotic Colonels)
Team Role: College Student
 
Join Date: Dec 2012
Rookie Year: 2013
Location: Chicago
Posts: 2,309
orangemoore has a reputation beyond reputeorangemoore has a reputation beyond reputeorangemoore has a reputation beyond reputeorangemoore has a reputation beyond reputeorangemoore has a reputation beyond reputeorangemoore has a reputation beyond reputeorangemoore has a reputation beyond reputeorangemoore has a reputation beyond reputeorangemoore has a reputation beyond reputeorangemoore has a reputation beyond reputeorangemoore has a reputation beyond repute
Re: Solenoid issues

Instead of Channel # it should say Solenoid #
__________________
Stronghold


Student 2013-2016
3135 -- Robotic Colonels
3507 -- Robotheosis (FTC)
Reply With Quote
  #5   Spotlight this post!  
Unread 10-02-2014, 22:11
jordan11623's Avatar
jordan11623 jordan11623 is offline
Registered User
FRC #4641
 
Join Date: Jan 2014
Location: United States
Posts: 5
jordan11623 is an unknown quantity at this point
Re: Solenoid issues

Thank you for your help, I was able to add the constants and they work like angels now.
Reply With Quote
Reply


Thread Tools
Display Modes Rate This Thread
Rate This Thread:

Posting Rules
You may not post new threads
You may not post replies
You may not post attachments
You may not edit your posts

vB code is On
Smilies are On
[IMG] code is On
HTML code is Off
Forum Jump


All times are GMT -5. The time now is 20:54.

The Chief Delphi Forums are sponsored by Innovation First International, Inc.


Powered by vBulletin® Version 3.6.4
Copyright ©2000 - 2017, Jelsoft Enterprises Ltd.
Copyright © Chief Delphi